Clémence Muron, Application Engineer bei Portescap, erläutert die Unterschiede zwischen bipolaren und unipolaren Antrieben für Schrittmotoren und untersucht deren Vor- und Nachteile in bestimmten Ausführungen.
(Quelle: Portescap)
Schrittmotoren sind eine beliebte Wahl für viele motorisierte Systeme, insbesondere weil sie leicht zu fahren sind.
Es empfiehlt sich dennoch, mehr über die verschiedenen Schrittmotortechnologien und die Art und Weise ihrer Ansteuerung zu wissen.
Mit einem Verständnis für bipolare und unipolare Ansteuerung ist es für die Konstrukteure leichter, eine wirklich optimierte Lösung zu implementieren.
Clémence Muron, Application Engineer bei Portescap, erläutert die Unterschiede zwischen bipolaren und unipolaren Antrieben für Schrittmotoren und untersucht deren Vor- und Nachteile in bestimmten Ausführungen.
Für motorgetriebene Anwendungen, die eine präzise und vorhersehbare Positionierung in einem kompakten, kostengünstigen Gehäuse erfordern, sind Schrittmotoren seit ihrer Einführung in den 1960er Jahren eine beliebte Wahl. In den letzten Jahren haben Fortschritte sowohl bei den Motoren selbst als auch bei der Antriebselektronik den Schrittmotoren entscheidende Leistungsvorteile bei anspruchsvollen Anwendungen von Werkzeugmaschinen bis zu medizinischen Geräten verschafft.
Die Einfachheit der Antriebstechnologie für moderne Schrittmotoren ist einer der Hauptgründe für ihre anhaltende Beliebtheit. Dennoch müssen beim Steuerungskonzept Konstruktionsentscheidungen getroffen werden, die einen großen Einfluss auf den Erfolg der Anwendung haben können. Insbesondere stellt sich dem Konstrukteur die Frage, ob er sich für eine unipolare oder bipolare Steuerung der Motoren entscheiden soll.
Es stimmt zwar, dass viele Schrittmotoranwendungen heutzutage mit einem bipolaren Antrieb implementiert werden. Unipolare Motoren sind jedoch immer noch auf dem Markt erhältlich und in bestimmten Umständen ist die Verwendung unipolarer Motoren auch sinnvoll. Konstrukteure, die sich mit den Unterschieden zwischen diesen Technologien auskennen – von denen einige vorteilhaft und andere nachteilig sind – sind in der Lage, die für eine bestimmte Anwendung am besten geeignete Technologie auszuwählen.
(Ein unipolarer Motor besteht aus zwei Spulenwicklungen pro Phase. Für jede Spule kann der Strom nur in eine Richtung fließen. Die Spannungsansteuerung ist einfach und erfordert einen Transistor pro Spule. Bildquelle: Portescap)
Der Schrittmotor ist eine Art des bürstenlosen Gleichstrommotors mit einer hohen Anzahl an Polen. Diese Technologie wird im Allgemeinen im offenen Regelkreis ohne Feedback-Sensor betrieben, was bedeutet, dass der Strom normalerweise an die Phasen angelegt wird, ohne die Rotorposition zu kennen. Der Rotor bewegt sich, um mit dem Statormagnetfluss ausgerichtet zu sein, dann kann der Strom der nächsten Phase zugeführt werden.
Unipolare und bipolare Motoren
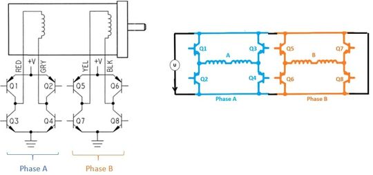
Wie bereits erwähnt, gibt es zwei Möglichkeiten, die Spule mit Strom zu versorgen: die bipolare und die unipolare Weise. Ein unipolarer Motor benötigt mindestens zwei Spulen pro Phase und durch Schalten der Transistoren in der Antriebselektronik fließt der Strom für jede Spule nur in eine Richtung. Die Antriebselektronik leicht realisierbar, da nur ein Transistor pro Spule vorhanden ist. Wenn der Transistor geschlossen ist, wird die Spule mit Strom versorgt. Um den Motor zu drehen, werden die Transistoren nacheinander geschlossen und geöffnet.
(Bipolare Motoren benötigen nur eine Spulenwicklung pro Phase und der Strom kann in beide Richtungen fließen. Zur Steuerung werden acht Transistoren mit zwei H-Brücken benötigt. Bild: Portescap.)
Im Gegensatz dazu benötigt ein Bipolarmotor mindestens eine Spule pro Phase und der Strom kann in beide Richtungen durch die Spulen fließen. In der Antriebselektronik ist für einen Motor mit der gleichen Anzahl von Phasen die doppelte Anzahl von Transistoren erforderlich.
In Bezug auf die Verkabelung kann ein unipolarer Motor über 6 oder 8 Anschlussdrähte verfügen, während ein bipolarer Motor typischerweise 4 oder 8 Anschlussdrähte hat. Bei den 8-Draht-Versionen kann der Motor je nach Anschluss dieser Drähte entweder unipolar oder bipolar konfiguriert werden. Für den Bipolar können die Spulen in Reihe oder parallel montiert werden, was Auswirkungen auf die elektrischen Eigenschaften der Spulen hat, die sich auf die Spannung und den Widerstand auswirken. Die Ausführung mit 8 Drähten bietet Konstrukteuren mehr Flexibilität bei der Erfüllung der besonderen Leistungsanforderungen der Anwendung.
Vor- und Nachteile
Es gibt eine Reihe verschiedener Steuerungstechniken, die in Betracht kommen, aber schauen wir uns zuerst die Spannungsansteuerung und die Stromansteuerung an. Mit der Spannungsansteuerung ist die Steuerung von unipolaren Motoren sehr einfach und erfordert nur vier Transistoren. Ein Bipolarregler für die Spannungsansteuerung benötigt dagegen acht Transistoren, die in zwei H-Brücken konfiguriert sind. Für die Spannungsansteuerung bietet die unipolare Steuerungsstrategie eine weitaus einfachere und kostengünstigere Lösung.
(Drehmoment im Vergleich zur Drehzahl im Spannungsansteuerungsmodus für unipolare und bipolare Motoren. Bild: Portescap)
Es sind jedoch auch Leistungsaspekte zu berücksichtigen. Bei der Spannungsansteuerung bietet der Bipolarmotor mehr Drehmoment, während ein unipolarer Motor bei niedriger Drehzahl ein geringeres Drehmoment aufweist, hauptsächlich aufgrund von Joule-Verlusten. In einem bestimmten Fall kann der unipolare Motor bei hoher Geschwindigkeit jedoch manchmal ein höheres Drehmoment als der bipolare Motor bieten, da der Strom in der Spule schneller fließen kann.
Stand: 16.12.2025
Es ist für uns eine Selbstverständlichkeit, dass wir verantwortungsvoll mit Ihren personenbezogenen Daten umgehen. Sofern wir personenbezogene Daten von Ihnen erheben, verarbeiten wir diese unter Beachtung der geltenden Datenschutzvorschriften. Detaillierte Informationen finden Sie in unserer Datenschutzerklärung.
Einwilligung in die Verwendung von Daten zu Werbezwecken
Ich bin damit einverstanden, dass die WIN-Verlag GmbH & Co. KG, Chiemgaustraße 148, 81549 München einschließlich aller mit ihr im Sinne der §§ 15 ff. AktG verbundenen Unternehmen (im weiteren: Vogel Communications Group) meine E-Mail-Adresse für die Zusendung von redaktionellen Newslettern nutzt. Auflistungen der jeweils zugehörigen Unternehmen können hier abgerufen werden.
Der Newsletterinhalt erstreckt sich dabei auf Produkte und Dienstleistungen aller zuvor genannten Unternehmen, darunter beispielsweise Fachzeitschriften und Fachbücher, Veranstaltungen und Messen sowie veranstaltungsbezogene Produkte und Dienstleistungen, Print- und Digital-Mediaangebote und Services wie weitere (redaktionelle) Newsletter, Gewinnspiele, Lead-Kampagnen, Marktforschung im Online- und Offline-Bereich, fachspezifische Webportale und E-Learning-Angebote. Wenn auch meine persönliche Telefonnummer erhoben wurde, darf diese für die Unterbreitung von Angeboten der vorgenannten Produkte und Dienstleistungen der vorgenannten Unternehmen und Marktforschung genutzt werden.
Meine Einwilligung umfasst zudem die Verarbeitung meiner E-Mail-Adresse und Telefonnummer für den Datenabgleich zu Marketingzwecken mit ausgewählten Werbepartnern wie z.B. LinkedIN, Google und Meta. Hierfür darf die Vogel Communications Group die genannten Daten gehasht an Werbepartner übermitteln, die diese Daten dann nutzen, um feststellen zu können, ob ich ebenfalls Mitglied auf den besagten Werbepartnerportalen bin. Die Vogel Communications Group nutzt diese Funktion zu Zwecken des Retargeting (Upselling, Crossselling und Kundenbindung), der Generierung von sog. Lookalike Audiences zur Neukundengewinnung und als Ausschlussgrundlage für laufende Werbekampagnen. Weitere Informationen kann ich dem Abschnitt „Datenabgleich zu Marketingzwecken“ in der Datenschutzerklärung entnehmen.
Falls ich im Internet auf Portalen der Vogel Communications Group einschließlich deren mit ihr im Sinne der §§ 15 ff. AktG verbundenen Unternehmen geschützte Inhalte abrufe, muss ich mich mit weiteren Daten für den Zugang zu diesen Inhalten registrieren. Im Gegenzug für diesen gebührenlosen Zugang zu redaktionellen Inhalten dürfen meine Daten im Sinne dieser Einwilligung für die hier genannten Zwecke verwendet werden.
Recht auf Widerruf
Mir ist bewusst, dass ich diese Einwilligung jederzeit für die Zukunft widerrufen kann. Durch meinen Widerruf wird die Rechtmäßigkeit der aufgrund meiner Einwilligung bis zum Widerruf erfolgten Verarbeitung nicht berührt. Um meinen Widerruf zu erklären, kann ich als eine Möglichkeit das unter https://kontakt.vogel.de/de/win abrufbare Kontaktformular nutzen. Sofern ich einzelne von mir abonnierte Newsletter nicht mehr erhalten möchte, kann ich darüber hinaus auch den am Ende eines Newsletters eingebundenen Abmeldelink anklicken. Weitere Informationen zu meinem Widerrufsrecht und dessen Ausübung sowie zu den Folgen meines Widerrufs finde ich in der Datenschutzerklärung, Abschnitt Redaktionelle Newsletter.
Wenn das Drehmoment wichtig ist, kann der bipolare Motor im Allgemeinen 40 Prozent mehr Drehmoment erzeugen als ein unipolarer Antrieb oder, anders ausgedrückt, bei gleichem Energieverlust durch den Joule-Effekt liefert der bipolare Antrieb eine bessere Leistung als ein unipolarer Antrieb.
Aber was ist mit der Stromansteuerung? Seit Elektronik günstiger geworden ist, ist die Pulsweitenmodulation (PWM) zur beliebtesten Schrittmotorsteuerung avanciert, wobei der Arbeitszyklus mit einer festen Frequenz variiert wird, um die Spannung oder den Strom auf den gewünschten Zielwert anzupassen. Bei der Stromansteuerung steuert die PWM den Strom in jeder Phase.
Mit einem bipolaren Motor macht es die moderne Antriebselektronik relativ einfach, eine PWM-Stromansteuerung zu implementieren, was die Möglichkeit eröffnet, den Motor in Mikroschritten anzusteuern. Der Betrieb eines unipolaren Motors im Strommodus erfordert eine viel komplexere Elektronik bei gleichzeitig geringerer Motorleistung.
Trend zu bipolaren Schrittmotoren mit Stromansteuerung
Zusammenfassend haben wir also gesehen, dass angesichts der Vorteile der PWM-Steuerung und der Preissenkung für Elektronik ein wachsender Trend zur Verwendung von bipolaren Schrittmotoren mit Stromansteuerung besteht. Bei der Spannungsansteuerung kann der unipolare Antrieb dennoch eine sinnvolle Option sein, wenn Einfachheit und/oder Kosten wichtige Überlegungen sind oder ein höheres Drehmoment bei höheren Drehzahlen erforderlich ist.
Wie immer lohnt es sich, bereits in den frühesten Phasen eines Projekts einen fachkundigen Lieferanten wie Portescap hinzuziehen, damit der Konstrukteur die für eine bestimmte Anwendung am besten geeignete Lösung finden kann.
Bild oben: Diagramm eines vierstufigen Permanentmagnet-Schrittmotors. Der Rotor besteht aus einem einpoligen Paarmagneten und der Stator besteht aus zwei Phasen, Phase A und Phase B. Bildquelle: Portescap.